

型号订购说明:

| 产品等级选型表 | |||
| 产品等级代号 | 最高转速 | 工作寿命 | 密封件 |
| VC | 100RPM | 1000万转 | 国内知名品牌密封件 |
| VD | 300RPM | 3000万转 | 进口密封件 |
| 技术规格参数 | ||||
| 旋转接头部分技术指标 | 机械技术指标 | |||
| 参数 | 数值 | 参数 | 数值 | |
| 通道数 | 3进3出 | 工作寿命 | 参考产品选型等级 | |
| 最大压力 | 10MPa(可定制高压),真空0.01torr | 额定转速 | 参考产品选型等级 | |
| 扭矩 | 与接口尺寸相关,详细咨询技术 | 工作温度 | -30℃~80℃ | |
| 电气技术指标 | 工作湿度 | 0~85% RH | ||
| 参数 | 数值 | 接触材料 | 贵金属 | |
| 功率 | 信号 | 壳体材料 | 铝合金 | |
| 额定电压 | 0~240VAC/VDC | 0~240VAC/VDC | 防护等级 | IP51 |
| 绝缘电阻 | ≥1000MΩ/500VDC | ≥1000MΩ/500VDC | ||
| 导线规格 | AWG28#Teflon | AWG28#Teflon | ||
| 导线长度 | 标准长度300mm(可据要求调整) | |||
| 绝缘强度 | 500VAC@50Hz,60s | |||
| 动态电阻变化值 | <0.01Ω | |||
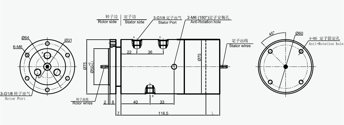
选型表
|
MAPH300S-XX 气液电一体滑环选型表 1)XX=01,接口尺寸=M5, 气管规格3~6mm 2)XX=02,接口尺寸=G1/8,气管规格3~10mm 3)XX=03,接口尺寸=G1/4,气管规格3~12mm 4)XX=04,接口尺寸=G3/8,气管规格3~16mm 5)XX=05,接口尺寸=G1/2,气管规格3~20mm |
||||
| 型号 | 气(液)通 | 10A | 信号或5A | 长度L(mm) |
| MAPH300S-XX-S06 | 3进3出 | 0 | 6 | 19 |
| MAPH300S-XX-S12 | 3进3出 | 0 | 12 | 26 |
| MAPH300S-XX-S18 | 3进3出 | 0 | 18 | 33 |
| MAPH300S-XX-S24 | 3进3出 | 0 | 24 | 43.6 |
| MAPH300S-XX-S36 | 3进3出 | 0 | 36 | 57.3 |
| MAPH300S-XX-S56 | 3进3出 | 0 | 56 | 85.7 |
注:N个10A 电流环并起来可作为1路N*10A电流环使用;比如: 2环10A 并起来做作为 1路20A 使用。
10A和信号(5A) 可以任意组合,详细请咨询客服。可在标准产品上进行非标定制,请咨询客服。
标准图纸