

型号订购说明:

| 产品等级选型表 | |||
| 产品等级代号 | 最高转速 | 工作寿命 | 接触材料 |
| VC | 200RPM | 1500万转 | 贵金属 |
| VD | 600RPM | 8000万转 | 金合金 |
| VH | 1000RPM | 1.5亿转 | 镀金-镀金 |
| 技术规格参数 | |||
| 机械技术指标 | 电气技术指标 | ||
| 参数 | 数值 | 参数 | 数值 |
| 工作寿命 | 参考产品选型等级 | 功率 | |
| 额定转速 | 参考产品选型等级 | 额定电压 | 0~600VAC/VDC |
| 工作温度 | -30℃~80℃ | 绝缘电阻 | ≥1000MΩ/500VDC |
| 工作湿度 | 0~85% RH | 导线规格 | 10A=AWG#16;20A=AWG#14;30A=AWG#12; |
| 接触材料 | 参考产品选型等级 | 导线长度 | 标准长度300mm(可据要求调整) |
| 壳体材料 | PBT | 绝缘强度 | 500VAC@50Hz,60s |
| 扭矩 | 0.1N.m;+0.03N.m/6rings | 动态电阻变化值 | <0.01Ω |
| 防护等级 | IP51 | ||
选型表
| MB120系列滑环选型表 | |||||||||
| 型号 | 10A | 信号或5A | 工业总线 | 长度L(mm) | 型号 | 10A | 信号或5A | 工业总线 | 长度L(mm) |
| MB120-01P | 0 | 0 | Profibus ×1 | 45.2 | MB120-01E | 0 | 0 | EtherCAT ×1 | 45.2 |
| MB120-P0610-01P | 6 | 0 | Profibus ×1 | 65.6 | MB120-P0610-01E | 6 | 0 | EtherCAT ×1 | 65.6 |
| MB120-P1210-01P | 12 | 0 | Profibus ×1 | 86 | MB120-P1210-01E | 12 | 0 | EtherCAT ×1 | 86 |
| MB120-P0610-S06-01P | 6 | 6 | Profibus ×1 | 86 | MB120-P0610-S06-01E | 6 | 6 | EtherCAT ×1 | 86 |
| MB120-S12-01P | 0 | 12 | Profibus ×1 | 86 | MB120-S12-01E | 0 | 12 | EtherCAT ×1 | 86 |
| MB120-P1810-01P | 18 | 0 | Profibus ×1 | 106.4 | MB120-P1810-01E | 18 | 0 | EtherCAT ×1 | 106.4 |
| MB120-P0610-S12-01P | 6 | 12 | Profibus ×1 | 106.4 | MB120-P0610-S12-01E | 6 | 12 | EtherCAT ×1 | 106.4 |
| MB120-P1210-S06-01P | 12 | 6 | Profibus ×1 | 106.4 | MB120-P1210-S06-01E | 12 | 6 | EtherCAT ×1 | 106.4 |
| MB120-S24-01P | 0 | 24 | Profibus ×1 | 126.8 | MB120-S24-01E | 0 | 24 | EtherCAT ×1 | 126.8 |
| MB120-P1210-S12-01P | 12 | 12 | Profibus ×1 | 126.8 | MB120-P1210-S12-01E | 12 | 12 | EtherCAT ×1 | 126.8 |
| MB120-S30-01P | 0 | 30 | Profibus ×1 | 150.2 | MB120-S30-01E | 0 | 30 | EtherCAT ×1 | 150.2 |
| MB120-S36-01P | 0 | 36 | Profibus ×1 | 170.6 | MB120-S36-01E | 0 | 36 | EtherCAT ×1 | 170.6 |
| MB120-01C | 0 | 0 | CANBUS ×1 | 45.2 | MB120-01D | 0 | 0 | DeviceNET ×1 | 45.2 |
| MB120-P0610-01C | 6 | 0 | CANBUS ×1 | 65.6 | MB120-P0610-01D | 6 | 0 | DeviceNET ×1 | 65.6 |
| MB120-P1210-01C | 12 | 0 | CANBUS ×1 | 86 | MB120-P1210-01D | 12 | 0 | DeviceNET ×1 | 86 |
| MB120-P0610-S06-01C | 6 | 6 | CANBUS ×1 | 86 | MB120-P0610-S06-01D | 6 | 6 | DeviceNET ×1 | 86 |
| MB120-S12-01C | 0 | 12 | CANBUS ×1 | 86 | MB120-S12-01D | 0 | 12 | DeviceNET ×1 | 86 |
| MB120-P1810-01C | 18 | 0 | CANBUS ×1 | 106.4 | MB120-P1810-01D | 18 | 0 | DeviceNET ×1 | 106.4 |
| MB120-P0610-S12-01C | 6 | 12 | CANBUS ×1 | 106.4 | MB120-P0610-S12-01D | 6 | 12 | DeviceNET ×1 | 106.4 |
| MB120-P1210-S06-01C | 12 | 6 | CANBUS ×1 | 106.4 | MB120-P1210-S06-01D | 12 | 6 | DeviceNET ×1 | 106.4 |
| MB120-S24-01C | 0 | 24 | CANBUS ×1 | 126.8 | MB120-S24-01D | 0 | 24 | DeviceNET ×1 | 126.8 |
| MB120-P1210-S12-01C | 12 | 12 | CANBUS ×1 | 126.8 | MB120-P1210-S12-01D | 12 | 12 | DeviceNET ×1 | 126.8 |
| MB120-S30-01C | 0 | 30 | CANBUS ×1 | 150.2 | MB120-S30-01D | 0 | 30 | DeviceNET ×1 | 150.2 |
| MB120-S36-01C | 0 | 36 | CANBUS ×1 | 170.6 | MB120-S36-01D | 0 | 36 | DeviceNET ×1 | 170.6 |
| MB120-01N | 0 | 0 | CANOPEN ×1 | 45.2 | MB120-01F | 0 | 0 | ProfiNET ×1 | 45.2 |
| MB120-P0610-01N | 6 | 0 | CANOPEN ×1 | 65.6 | MB120-P0610-01F | 6 | 0 | ProfiNET ×1 | 65.6 |
| MB120-P1210-01N | 12 | 0 | CANOPEN ×1 | 86 | MB120-P1210-01F | 12 | 0 | ProfiNET ×1 | 86 |
| MB120-P0610-S06-01N | 6 | 6 | CANOPEN ×1 | 86 | MB120-P0610-S06-01F | 6 | 6 | ProfiNET ×1 | 86 |
| MB120-S12-01N | 0 | 12 | CANOPEN ×1 | 86 | MB120-S12-01F | 0 | 12 | ProfiNET ×1 | 86 |
| MB120-P1810-01N | 18 | 0 | CANOPEN ×1 | 106.4 | MB120-P1810-01F | 18 | 0 | ProfiNET ×1 | 106.4 |
| MB120-P0610-S12-01N | 6 | 12 | CANOPEN ×1 | 106.4 | MB120-P0610-S12-01F | 6 | 12 | ProfiNET ×1 | 106.4 |
| MB120-P1210-S06-01N | 12 | 6 | CANOPEN ×1 | 106.4 | MB120-P1210-S06-01F | 12 | 6 | ProfiNET ×1 | 106.4 |
| MB120-S24-01N | 0 | 24 | CANOPEN ×1 | 126.8 | MB120-S24-01F | 0 | 24 | ProfiNET ×1 | 126.8 |
| MB120-P1210-S12-01N | 12 | 12 | CANOPEN ×1 | 126.8 | MB120-P1210-S12-01F | 12 | 12 | ProfiNET ×1 | 126.8 |
| MB120-S30-01N | 0 | 30 | CANOPEN ×1 | 150.2 | MB120-S30-01F | 0 | 30 | ProfiNET ×1 | 150.2 |
| MB120-S36-01N | 0 | 36 | CANOPEN ×1 | 170.6 | MB120-S36-01F | 0 | 36 | ProfiNET ×1 | 170.6 |
| MB120-01K | 0 | 0 | CC-LINK ×1 | 45.2 | MB120-P0610-S12-01K | 6 | 12 | CC-LINK ×1 | 106.4 |
| MB120-P0610-01K | 6 | 0 | CC-LINK ×1 | 65.6 | MB120-P1210-S06-01K | 12 | 6 | CC-LINK ×1 | 106.4 |
| MB120-P1210-01K | 12 | 0 | CC-LINK ×1 | 86 | MB120-S24-01K | 0 | 24 | CC-LINK ×1 | 126.8 |
| MB120-P0610-S06-01K | 6 | 6 | CC-LINK ×1 | 86 | MB120-P1210-S12-01K | 12 | 12 | CC-LINK ×1 | 126.8 |
| MB120-S12-01K | 0 | 12 | CC-LINK ×1 | 86 | MB120-S30-01K | 0 | 30 | CC-LINK ×1 | 150.2 |
| MB120-P1810-01K | 18 | 0 | CC-LINK ×1 | 106.4 | MB120-S36-01K | 0 | 36 | CC-LINK ×1 | 170.6 |
注:N个10A 电流环并起来可作为1路N*10A电流环使用;比如: 2环10A 并起来做作为 1路20A 使用。
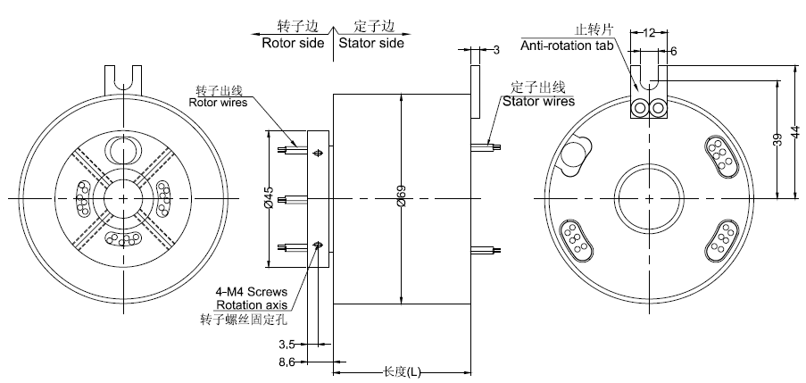
标准图纸
| 各环路导线色码表 | |||
| 环道 | 颜色 | 环道 | 颜色 |
| 1 | 黑 | 7 | 黑 |
| 2 | 红 | 8 | 红 |
| 3 | 黄 | 9 | 黄 |
| 4 | 绿 | 10 | 绿 |
| 5 | 蓝 | 11 | 蓝 |
| 6 | 白 | 12 | 白 |
(6个颜色为一组,分别序号1...6, 下一组从7...12, 重复前6个颜色, 每组用号码管作为组序号标识。)