网站首页
产品中心
标准滑环
行业应用滑环
非标定制滑环
滑环原理
解决方案
安装方式
现场案例
新闻资讯
公司新闻
行业动态
滑环知识
常见问题
选型手册
选型手册下载
关于我们
工厂实力
联系我们
在线咨询
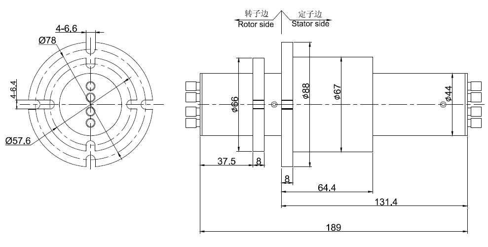
MFO400B(4通道光纤B类外形)
2018-10-06 15:27
苏州默孚龙
MFO400B系列是光电一体化旋转接头,能传输4路光纤,整体外径(76mm),整个产品非常紧凑,专门为对空间尺寸有要求的应用场合。
光电旋转接头又称光电滑环,光电汇流环,采用光纤为数据传输媒体,为解决旋转连接的系统部件之间的数据传输,提供了最佳的技术解决方案。特别适合应用在需要无限制的, 连续或断续旋转,同时又需要从固定位置到旋转位置传送大容量数据、信号的场所,能改善机械性能,简化系统操作,避免因活动关节的旋转对出光纤的损害。 可以与传统的电子汇流环配合使用,作成光电混合汇流环,传送功率和高速数据。
技术规格参数
指标名称
类型
单模(SM)
多模(MM)
带宽(nm)
±50
最大插入损耗,23℃(dB)
4
3.5
插入损耗波动(dB)
2
1
回波损耗(dB)
≥50(APC)
≥40(PC)
最大输入功率(W)
0.5
重量(g)
200
最高转速(rpm)
250
工作寿命
>2亿转
工作温度(℃)
-45~85
贮存温度(℃)
-50~85
分享到:
QQ空间
新浪微博
腾讯微博
人人网
微信
最新滑环文章推荐
发电机碳刷冒火
做滑环需要了解的几个要点
绕线式电动机碳刷维护重要
碳刷作用全面深度解析
最新滑环的价格决定因素分享
所有文章
产品中心
标准滑环
行业应用滑环
非标定制滑环
技术支持
解决方案
安装方式
现场案例
新闻资讯
公司新闻
行业动态
滑环知识
选型手册
选型手册下载
关于我们
工厂实力
联系我们
在线咨询