


| 技术规格参数 | |
| 机械技术指标 | |
| 参数 | 数值 |
| 工作寿命 | 500万转 |
| 额定转速 | 100RPM |
| 工作温度 | -30℃~80℃ |
| 工作湿度 | 0~85% RH |
| 接触材料 | 金合金 |
| 壳体材料 | 不锈钢 |
| 扭矩 | 0.1N.m;+0.03N.m/6 rings |
| 防护等级 | IP51 |
选型表
| MHF100 - 1通道高频旋转关节选型表 | |||||||
| 型号 | 高频通道 | 频率 | 接头类型 | 特性阻抗 | 插入损耗 | 驻波比VSWR | 驻波比波动 |
| MHF100-SMA-30G | 1 | DC-30GHz | SMA | 50Ω | 0.3db | ≤1.3 | ≤0.05 |
| MHF100-N-12G | 1 | DC-12GHz | N | 50Ω | 0.3db | ≤1.3 | ≤0.05 |
| MHF100-W50-3G | 1 | DC-3GHz | coaxial-cable RG178 | 50Ω | 0.3db | ≤1.3 | ≤0.05 |
| MHF100-W75-3G | 1 | DC-3GHz | coaxial-cable RG179 | 75Ω | 0.3db | ≤1.3 | ≤0.05 |
| MHF100-SMA-18G | 1 | DC-18GHz | SMA | 50Ω | 0.3db | ≤1.3 | ≤0.05 |
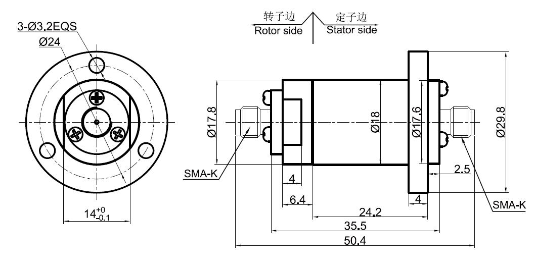
标准图纸