
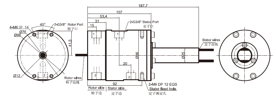
MK23(纯气动旋转接头)尺寸图 2进2出G3/8"牙
选型表
| MK23(纯气动旋转接头)尺寸图 2进2出G3/8"牙 | |||
| 型号 | 气体通道 | 接口尺寸 | 可适应气管 |
| MK23 | 2 | G3/8" | 10~12mm |
MK23S-S12(S18,S24,S36)尺寸图 2进2出G3/8" + 12~36路信号(2A)
选型表
| MK23S-S12(S18,S24,S36)尺寸图 2进2出G3/8" + 12~36路信号(2A) | |||||
| 型号 | 气体通道 | 接口尺寸 | 可适应气管 | 信号(2A) | L(mm) |
| MK23S-S12 | 2 | G3/8" | 10~12mm | 12 | 21 |
| MK23S-S18 | 2 | G3/8" | 10~12mm | 18 | 28 |
| MK23S-S24 | 2 | G3/8" | 10~12mm | 24 | 38.6 |
| MK23S-S36 | 2 | G3/8" | 10~12mm | 36 | 52.3 |
MK23S-S56尺寸图 2进2出G3/8"牙
选型表
| MK23S-S56尺寸图 2进2出G3/8"牙 | |||||
| 型号 | 气体通道 | 接口尺寸 | 可适应气管 | 信号(2A) | L(mm) |
| MK23S-S56 | 2 | G3/8" | 10~12mm | 56 | 80.7 |
MK23-PXX-SXX尺寸图 2进2出 G3/8"牙+信号(5A)/10A
选型表
| MK23-PXX-SXX尺寸图 2进2出 G3/8"牙+信号(5A)/10A | ||||||
| 型号 | 气体通道 | 接口尺寸 Size | 可适应气管 | 10A | 信号(5A) | L(mm) |
| MK23-P0610 | 2 | G3/8" | 10~12mm | 6 | 0 | 45.2 |
| MK23-S06 | 2 | G3/8" | 10~12mm | 0 | 6 | 45.2 |
| MK23-P1210 | 2 | G3/8" | 10~12mm | 12 | 0 | 65.6 |
| MK23-P0610-S06 | 2 | G3/8" | 10~12mm | 6 | 6 | 65.6 |
| MK23-S12 | 2 | G3/8" | 10~12mm | 0 | 12 | 65.6 |
| MK23-P1810 | 2 | G3/8" | 10~12mm | 18 | 0 | 86 |
| MK23-P0610-S12 | 2 | G3/8" | 10~12mm | 6 | 12 | 86 |
| MK23-P1210-S06 | 2 | G3/8" | 10~12mm | 12 | 6 | 86 |
| MK23-S18 | 2 | G3/8" | 10~12mm | 0 | 18 | 86 |
| MK23-S24 | 2 | G3/8" | 10~12mm | 0 | 24 | 106.4 |
| MK23-P0610-S18 | 2 | G3/8" | 10~12mm | 6 | 18 | 106.4 |
| MK23-S30 | 2 | G3/8" | 10~12mm | 0 | 30 | 126.8 |
| MK23-S36 | 2 | G3/8" | 10~12mm | 0 | 36 | 150.2 |
注:N个5A 电流环并起来可作为1路N*5A电流环使用;比如: 2环5A 并起来做作为 1路10A 使用。
| 技术规格参数 | ||||
| 旋转接头部分技术指标 | 机械技术指标 | |||
| 参数 | 数值 | 参数 | 数值 | |
| 通道数 | 2进2出,G3/8" | 工作寿命 | 1000万转以上 | |
| 最大压力 | 1MPa(可定制高压),真空0.01torr | 额定转速 | 500RPM | |
| 扭矩 | 与接口尺寸相关,详情见选型表 | 工作温度 | -30℃~80℃ | |
| 电气技术指标 | 工作湿度 | 0~85% RH | ||
| 参数 | 数值 | 接触材料 | 贵金属 | |
| 功率 | 信号 | 壳体材料 | 铝合金 | |
| 额定电压 | 0~240VAC/VDC | 0~440VAC/VDC | 防护等级 | IP51 |
| 绝缘电阻 | ≥1000MΩ/500VDC | ≥1000MΩ/500VDC | ||
| 导线规格 | AWG16#镀锡铁氟龙 | AWG22#镀锡铁氟龙 | ||
| 导线长度 | 标准长度 300mm(可根据要求调整) | |||
| 绝缘强度 | 500VAC@50Hz,60s | |||
| 动态电阻变化值 | <0.01Ω | |||