

型号订购说明:

| 产品等级选型表 | |||
| 产品等级代号 | 最高转速 | 工作寿命 | 接触材料 |
| VC | 150RPM | 1500万转 | 贵金属 |
| VD | 1000RPM | 6000万转 | 金合金 |
| 技术规格参数 | ||||
| 机械技术指标 | 电气技术指标 | |||
| 参数 | 数值 | 参数 | 数值 | |
| 工作寿命 | 参考产品选型等级 | 功率 | 信号 | |
| 额定转速 | 参考产品选型等级 | 额定电压 | 0~440VAC/VDC | 0~440VAC/VDC |
| 工作温度 | -30℃~80℃ | 绝缘电阻 | ≥1000MΩ/500VDC | ≥1000MΩ/500VDC |
| 工作湿度 | 0~85% RH | 导线规格 | 动力线AWG#16 | 6芯屏蔽电缆或AWG#22 |
| 接触材料 | 参考产品选型等级 | 导线长度 | 标准长度300mm(可据要求调整) | |
| 壳体材料 | 铝合金 | 绝缘强度 | 500VAC@50Hz,60s | |
| 扭矩 | 0.1N.m;+0.03N.m/6路 | 动态电阻变化值 | <0.01Ω | |
| 防护等级 | IP51 | |||
选型表
| MSE2025 系列-伺服电机编码器滑环选型表 | |||||
| 型号 | 动力电缆(4芯,每芯10A) | 编码器控制电缆(6芯带屏蔽) | 信号或5A | 20A | 长度L(mm) |
| MSE2025-01 | 1 | 1 | 0 | 0 | 65.6 |
| MSE2025-01-S06 | 1 | 1 | 6 | 0 | 86 |
| MSE2025-01-S12 | 1 | 1 | 12 | 0 | 106.4 |
| MSE2025-01-S18 | 1 | 1 | 18 | 0 | 126.8 |
| MSE2025-01-S24 | 1 | 1 | 24 | 0 | 147.2 |
| MSE2025-01-P0620-S12 | 1 | 1 | 12 | 6 | 147.2 |
| MSE2025-01-S36 | 1 | 1 | 36 | 0 | 191 |
| MSE2025-02 | 2 | 2 | 0 | 0 | 106.4 |
| MSE2025-02-S06 | 2 | 2 | 6 | 0 | 126.8 |
| MSE2025-02-S12 | 2 | 2 | 12 | 0 | 147.2 |
| MSE2025-02-S18 | 2 | 2 | 18 | 0 | 167.6 |
| MSE2025-02-S24 | 2 | 2 | 24 | 0 | 191 |
| MSE2025-02-P0620-S12 | 2 | 2 | 12 | 6 | 191 |
| MSE2025-02-S36 | 2 | 2 | 36 | 0 | 231.8 |
| MSE2025-03 | 3 | 3 | 0 | 0 | 147.2 |
| MSE2025-03-S06 | 3 | 3 | 6 | 0 | 167.6 |
| MSE2025-03-S12 | 3 | 3 | 12 | 0 | 191 |
| MSE2025-03-S18 | 3 | 3 | 18 | 0 | 211.4 |
| MSE2025-03-S24 | 3 | 3 | 24 | 0 | 231.8 |
| MSE2025-03-P0620-S12 | 3 | 3 | 12 | 6 | 231.8 |
| MSE2025-03-S36 | 3 | 3 | 36 | 0 | 275.6 |
| MSE2025-04 | 4 | 4 | 0 | 0 | 191 |
| MSE2025-04-S06 | 4 | 4 | 6 | 0 | 221.4 |
| MSE2025-04-S12 | 4 | 4 | 12 | 0 | 231.8 |
| MSE2025-04-S18 | 4 | 4 | 18 | 0 | 262.2 |
| MSE2025-04-S24 | 4 | 4 | 24 | 0 | 275.6 |
| MSE2025-04-P0620-S12 | 4 | 4 | 12 | 6 | 275.6 |
| MSE2025-04-S36 | 4 | 4 | 36 | 0 | 316.4 |
注:N个5A 电流环并起来可作为1路N*5A电流环使用;比如: 2环5A 并起来做作为 1路10A 使用。
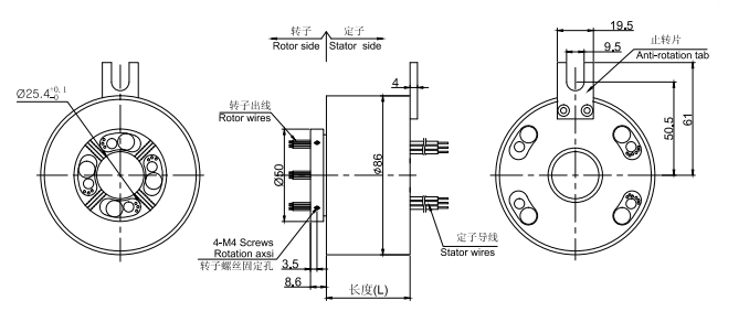
标准图纸
| 各环路导线色码表 | |||
| 环道 | 颜色 | 环道 | 颜色 |
| 1 | 黑 | 7 | 黑 |
| 2 | 红 | 8 | 红 |
| 3 | 黄 | 9 | 黄 |
| 4 | 绿 | 10 | 绿 |
| 5 | 蓝 | 11 | 蓝 |
| 6 | 白 | 12 | 白 |
(6个颜色为一组,分别序号1...6, 下一组从7...12, 重复前6个颜色, 每组用号码管作为组序号标识。)