

型号订购说明:

| 技术规格参数 | |||
| 机械技术指标 | 电气技术指标 | ||
| 参数 | 数值 | 参数 | 数值 |
| 工作寿命 | 1000万转 | 功率 | |
| 额定转速 | 150RPM | 额定电压 | 0~600VAC/VDC |
| 工作温度 | -30℃~80℃ | 绝缘电阻 | ≥1000MΩ/500VDC |
| 工作湿度 | 0~85% RH | 导线规格 | 10A=AWG#16;20A=AWG#14;30A=AWG#12; |
| 接触材料 | 贵金属 | 导线长度 | 标准长度300mm(可据要求调整) |
| 壳体材料 | PBT | 绝缘强度 | 500VAC@50Hz,60s |
| 扭矩 | 0.1N.m;+0.03N.m/6路 | 动态电阻变化值 | <0.01Ω |
| 防护等级 | IP51 | ||
选型表
| MW1000系列滑环选型表 | |||||||||
| 型号 | 总环数 | 每环额定电流(A) | 外径(mm) | 长度L(mm) | 型号 | 总环数 | 每环额定电流(A) | 外径(mm) | 长度L(mm) |
| MW1210 | 2 | 10A | 22 | 26 | MW1620 | 6 | 20A | 30 | 65.7 |
| MW1310 | 3 | 10A | 22 | 33 | MW1230 | 2 | 30A | 22 | 47 |
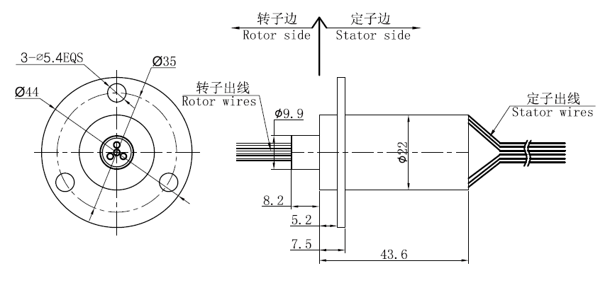
| MW1410 | 4 | 10A | 22 | 43.6 | MW1330 | 3 | 30A | 22 | 47 |
| MW1610 | 6 | 10A | 30 | 65.7 | MW1430 | 4 | 30A | 30 | 65.7 |
| MW1215 | 2 | 15A | 22 | 47 | MW1630 | 6 | 30A | 30 | 65.7 |
| MW1315 | 3 | 15A | 22 | 47 | MW1240 | 2 | 40A | 30 | 65.7 |
| MW1415 | 4 | 15A | 30 | 65.7 | MW1340 | 3 | 40A | 30 | 65.7 |
| MW1615 | 6 | 15A | 30 | 65.7 | MW1810 | 8 | 10A | 30 | 78 |
| MW1220 | 2 | 20A | 22 | 47 | MW1101 | 10 | 10A | 30 | 78 |
| MW1320 | 3 | 20A | 22 | 47 | MW1121 | 12 | 10A | 30 | 78 |
| MW1420 | 4 | 20A | 30 | 65.7 | |||||
注:N个10A 电流环并起来可作为1路N*10A电流环使用;比如: 2环10A 并起来做作为 1路20A 使用。
标准图纸
| 各环路导线色码表 | |||
| 环道 | 颜色 | 环道 | 颜色 |
| 1 | 黑 | 4 | 绿 |
| 2 | 红 | 5 | 蓝 |
| 3 | 黄 | 6 | 白 |
(6个颜色为一组,分别序号1...6, 下一组从7...12, 重复前6个颜色, 每组用号码管作为组序号标识。)